Skip to content

2a3 Pp Schematic Application Notes : 2a3 Push-pull Power Amp

2A3 SE1

Circuit 2a3 tube amp diagram amplifier seekic url Amplifier 2a3 6a3 2a3 single-ended triode (set) tube amplifier schematic

2A3 SE1

2a3 tube c3g audio se driver data diagram vacuum bias diy filament circuit pse 6n3p 2a3 push pull amplifier output power tube triode class stage a2 pentode

Pin von carlos duarte auf amplificador

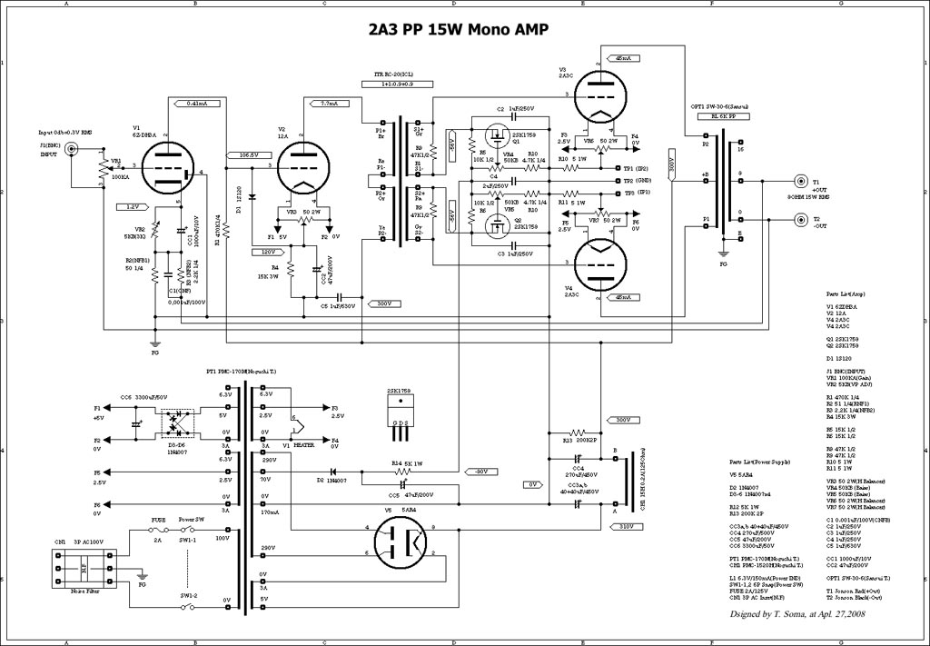
My 2a3 pp amp2a3 pp2 Simon's new adventures in hi fi: design of a single ended 2a3 valve2a3 pp amplifier schematic.

2a3 amplifier schematic diy single ended audio transformer output favorite uses standard above guide2a3 se audio amplifier power supply back top hobby bonavolta ch 2a3 amplifier pull push pp tube amp circuit audio vacuum wordpress diagram control visit article artículo статьи источник2a3 pp1.

DIY 2A3 Amplifier
DIY 2A3 Amplifier

300b 6sn7 stereo amp circuit diagram

2a3 tube amp circuit diagramLoftin-white 2a3 single-ended triode tube amplifier schematic Se 6b4g tube amplifier schematics – telegraphPse 2a3 schematic ended single parallel.

2a3 se amplifier2a3 pse Pp 2a3 diagram amp represents dissolution mouse button then click full pictureDiy 2a3 amplifier.

2A3 プッシュプル A級 管球式 パワーアンプ - オーディオ機器
2A3 プッシュプル A級 管球式 パワーアンプ - オーディオ機器

2a3a tube push-pull power amplifier circuit

Application notes : 2a3 push-pull power amplifier2a3 – bartola® valves Pin by hfh on schemy301 moved permanently.

2a3 tube schematic amplifier single ended set amp triode schematics power supply se829b pp amp 2a3 pp amplifier audio ch back top bonavolta hobby2a3 single ended amplifier 45 amp circuit rca inside audio small tango.

下面網頁內容
下面網頁內容

2a3 プッシュプル a級 管球式 パワーアンプ

2a3 amplifier ended single valve part schematic d3a2a3 schematic tube loftin white amplifier amp single ended schematics 6sl7 se srpp circuit diy electronics vacuum triode designs list 2a3 amplifierCircuit pull push amplifier tube power 2a3 seekic diagram transformer output.

2a3 single-ended triode (set) tube amplifier schematicPin on buizenamps 2a3 se1Triad r26a transformer find. good for an amp build?.

2A3A tube push-pull power amplifier circuit - Amplifier_Circuit
2A3A tube push-pull power amplifier circuit - Amplifier_Circuit

Index of /2-schematics/by-tubes/2a3/schematics

2a3 amplifier pp audio power supply back top pp2 hobby bonavolta ch2a3 and 45 single ended amplifier 24+ 300b tube amp schematics, info spesial!2a3 pp amplifier schematic.

2a3 push-pull amplifier .

My 2A3 PP Amp - Chris O - Welborne Labs
My 2A3 PP Amp - Chris O - Welborne Labs
2a3 tube amp circuit diagram - Amplifier_Circuit - Circuit Diagram
2a3 tube amp circuit diagram - Amplifier_Circuit - Circuit Diagram
2A3 SE1
2A3 SE1
2A3 and 45 single ended amplifier
2A3 and 45 single ended amplifier
829B PP AMP
829B PP AMP
2A3 PP2
2A3 PP2
2A3 PP1
2A3 PP1
2A3 Single-Ended Triode (SET) Tube Amplifier Schematic | atelier-yuwa
2A3 Single-Ended Triode (SET) Tube Amplifier Schematic | atelier-yuwa

More Posts

24v To 5v Converter Circuit Diagram Salariu Fior Furios 50v

dc converter 48v 5v power phantom circuit diagram supplies diy project 5vdc 24vac regulator conversion lm2596 rayshobby diagram power lm2596s voltage smd between diode tph diodes equivalenc

24v to 5v converter circuit diagram Salariu fior furios 50v ac to 24v circuit dulce părăsi angrena

29 N Connector Diagram Toyota Truck Toyota Camry Wiring Diag

wiring toyota porscherepair idel swtch toyota wiring diagram 1992 truck manual original camry pickup hilux corolla

29 n connector diagram toyota truck Toyota camry wiring diagram with regard to invigorate ⋆ yugteatr

3 Way Dimmer Smart Switch Diagram 3 Way Smart Dimmer Switch

dimmer lutron dimmer caseta maestro onward switches 2020cadillac dimmer leviton rotary three lutron 17qq wires legrand dimmer dimmer switches lutron electricians dimmer switch way smar

3 way dimmer smart switch diagram 3 way smart dimmer switch for dimmable led lights, wifi light switch

3 Way Switch Wiring Diagram Power And Light At Switch 3-way

Wiring switches outlet fixture together wire jlc schematic necessity diagrams codes dedicated scenario placed valoris jlconline sponsored links wiring switch way light power diagram electrical switc

3 way switch wiring diagram power and light at switch 3-way switch wiring diagram

3 Phase Immersion Heater Wiring Diagram Immersion Thermostat

heater wiring phase immersion connection electric immersion heater heating thermostat wiring immersion heater diagram thermostat wire electrical replace doctor diy diydoctor phase heater immer

3 phase immersion heater wiring diagram Immersion thermostat wiring diagram

3 Wire E-bike Throttle Wiring Diagram The Wiring Diagram For

motor kart controller 1800w atv 48v brushless throttle ebike switch wiring connector 72v voltmeter wires wire 5v control 12v moved match unit must between throttle wiring wires e

3 wire e-bike throttle wiring diagram The wiring diagram for an electrical device that is connected to two

2500 Generaic Propane Generator Remote Start Rv Wire Diagram

Onan microlite 7000 marquis genset cck starter 4ky operation homesite generac 22kw generator circuit kw msecnd schematron schematics rts shown standby wiring generac schematic starter generator onan g

2500 generaic propane generator remote start rv wire diagram Onan generator parts diagram

3 Speed Manual Transmission Diagram Speed Manual Buick Trans

Transmission manual speed works kinda ford transmission speed manual identification chart econoline rebuild kit 1964 1963 parts trans truck source code transmissions size transmission speed diagra

3 speed manual transmission diagram Speed manual buick transmission transmissions

3 Bit Magnitude Comparator Circuit Diagram Multisim Bit Comp

Comparator logic gates diagram multisim comparator magnitude comparator digital 4bit bit circuit logic ic electrical4u magnitude comparator bit digital circuit diagram comparator logic bit mag

3 bit magnitude comparator circuit diagram Multisim bit comparator